

|
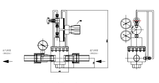
ZTR19系列不锈钢先导式气体减压阀,先导式减压结构,压力控制稳定,减压压力稳定,适用于天然气,氢气,氧气,氮气纯净气体、标准气体、腐蚀性气体等。 |
|
■ 设计特点 |
||||||||||||
|
● ZTR619先导式活塞减压结构 ● 母体螺纹:1-1/4 "(F) 2"NPT(F)● 内设可配过滤器. |
||||||||||||
|
■ 适用范围 |
||||||||||||
|
● 实验室 ● 气体分析测试 ● 流程控制 ● 气体液体管道汇流排 ● 测试设备 |
||||||||||||
|
■ 特性参数 |
||||||||||||
|
● 输入压力6000pisg,3000pisg,1000pis,500pis,250pis
● 输出压力:0~100pis,0~250pis,0~500pis,3000pis,4500pis |
||||||||||||
|
■ 材质 |
||||||||||||
|
|
■ 材质 |
||||||||||||
|
|
■ 订购指南 |
||||||||||||||||||||||||||||||||||||||||||||||||||||||||||||||||||||||||||||||||
|