

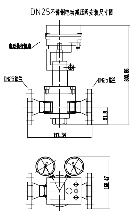
ZTR63系列不锈钢电动调压阀
防爆自动调压功能,电压220V,24V可选模拟量,可带4-20MA信号输出,反馈4-20AM,通信485远程控制,带自动调压功能,压力传输,输出压力稳定,适用于高纯净气体、标准气体、腐蚀性气体,易燃气体等。电动单元组合仪表中的执行单元。它接受来自调节仪表的直流电流信号,直接改变被调介质的流量,使被控工艺参数(如温度、压力、流量、液位等)保持在给定值。该系列产品结构简单,体积小,重量轻,阀体设计新颖,阀容量大,流阻小,额定流量系数增大,调校方便等。 具有动作灵敏,能源取用方便,信号传递迅速与传送距离远等。因而它广泛应用于化工、石油、冶金、电站、轻纺、制药、造纸等各工业部门的生产自动化中,深受国内外用户欢迎
|
■ 设计特点 防爆调压阀自动调压功能,电压220V,24V可选模拟量,可带4-20MA信号输出,反馈4-20AM,通信485远程控制,带自动调压功能,压力传输,输出压力稳定,适用于高纯净气体、标准气体、易燃气体,如氢气,甲烷等。 |
|||||||||||||||||||||||||||||||||||||||||||||||||||||||||||||||||||
|
● 活塞式结构 ● 母体螺纹: 1”NPT(F) ● 内设过滤网 ● 可采用面板式或墙式安装 |
|||||||||||||||||||||||||||||||||||||||||||||||||||||||||||||||||||
|
■ 适用范围 |
|||||||||||||||||||||||||||||||||||||||||||||||||||||||||||||||||||
|
● 实验室 ● 气体分析测试 ● 流程控制 ● 气体管路 ● 加药泵装置系统 |
|||||||||||||||||||||||||||||||||||||||||||||||||||||||||||||||||||
|
■ 特性参数 |
|||||||||||||||||||||||||||||||||||||||||||||||||||||||||||||||||||
|
● 调节压力:250pis,500pis,800pis1500pisg 调节型菜单设置
|


|
||||||||||||||||||||||||||||||||||||||||||||||||||||||||||||||||||||||||||||||||